7833285
Can't find what you're looking for? Go to the Product Selector
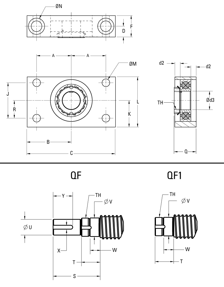
QF 25, 支座, 簡易, Base or Flange Mount, QF 樣式, 25 毫米 Inside Diameter; 配合使用 32 mm 滾珠絲杠
- QF軸承支座提供一個深溝徑向球軸承。
- 設計尺寸符合標準QF或者QF1型末端加工。(絲杠必須進行加工以匹配軸承座)。
- 堅固的鋼制結構
- 底座或者端面安裝配置
- 分類為“簡單”,用于關鍵速度和支柱強度計算。
