SB-23B24-E08S
Can't find what you're looking for? Go to the Product Selector
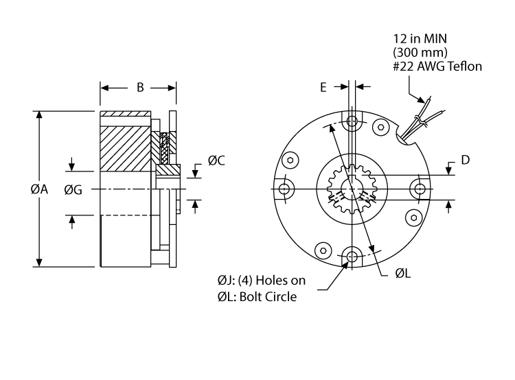
Brake, 摩擦, Power off Servo Brake Assembly, SB系列-23, 2.36 英寸 Outside Diameter, 0.5000 英寸 Bore, 24 Vdc, 35 in-lbs 靜態力矩, Short Hub
- 單向控制器
- 設計緊湊
- 長壽命制動襯墊(無石棉)
- 低慣性旋轉部件,能夠實現更高的加速度
- UL認證H級絕緣系統,采用環氧樹脂密閉,可在極端環境中運行
- 花鍵驅動結構可承受伺服系統施加的高沖擊應力
